文章来源: 环境保护部 发布时间: 2025-4-3 08:31
一、基础信息:
山东垦利石化集团有限公司位于山东省东营市垦利区利河路299号,始建于1970年4月,前身为山东垦利石化有限责任公司,社会统一信用代码:91370521164880008P,法人代表滕滨强。公司以原油为原料生产汽油、柴油、液化气、丙烯、MTBE、丁烯、焦炭等产品,原油一次加工能力400万吨/年。
二、排污信息:
1、废水:废水排放口设于公司院外西北侧,2014年经过规范化改造,设有在线监测仪、标识牌、电子显示屏、电子监控、等设施。目前公司废水产生量约200m3/h,经公司污水处理场处理后部分回用,剩余污水排入市政管网。2025年各运行生产装置稳定运转,环保设施及其他配套设施均运行正常。公司手工监测的外排废水各项指标情况见下表:
上述指标监测结果均满足其相应的排放限值要求,各项指标均无超标现象。
2、除160万吨/年DCC生产烯烃装置再生烟气、6万吨/年炼厂酸性气制酸吸收尾气经烟气治理设施处理后排放外,其余各装置加热炉以脱硫干气为燃料,脱硫干气为清洁能源,其燃烧后产生的废气均满足现行标准《区域性大气污染物综合排放标准》(DB37/2376-2019)表1重点控制区标准。各排放源废气中各项污染物指标委托监测情况如下:
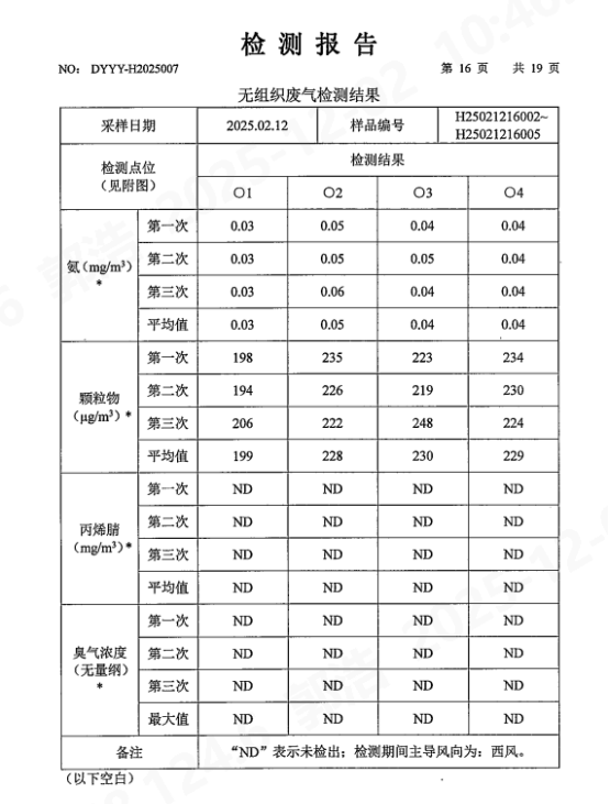
上述各排放源污染物监测数据均满足排放标准《区域性大气污染物综合排放标准》(DB37/2376-2019)的要求。
2025年第一季度无组织废气委托监测结果见下表:
3、固体废物:公司危险废物主要为油泥、浮渣、废碱液和废催化剂。今年第一季度产生催化裂化废催化剂99.96吨,运送至山东齐力有限公司处置。
三、污染防治设施情况
1、废水的防治设施
从2012年至今,公司陆续投资了2.5亿元对污水处理场进行了一系列的改造,形成了如今日处理9600m3的规模,处理工艺为:隔油罐+三相分离+高效溶气气浮+压力溶气气浮+厌氧+好氧+臭氧氧化+BAF+深度氧化+电吸附,处理后废水40%回用。现拥有两套酸性水气提装置,处理能力分别为40万吨/年和120万吨/年。公司设有供排水车间,共有30余人负责污水处理设施的运行工作,实行四班三倒工作制度,污水处理设施与各生产装置同时运行。
2、废气的防治设施:
公司所有废气治理设施均与各生产装置同时运行。
(1)干气脱硫装置:使用乙醇胺为脱硫剂,对各生产装置产生的干气进行脱硫处理,脱硫效率达到99%以上。脱硫后干气进燃料管网输往各生产装置加热炉作燃料,脱出的硫化氢输往三协化学公司生产硫氢化钠,剩余硫化氢进酸性气制酸装置生产硫酸。
(2)酸性气制酸装置:以酸性水汽提装置产生的酸性气和干气脱硫装置产生的多余的酸性气为原料生产浓度为98%的硫酸。制酸吸收尾气经臭氧脱硝+碱洗+湿式电除尘工艺处理后高空排放。
(3)VOCs处理设施:公司投资10095.03万元建设的全厂VOCs无组织排放源综合治理装置已建成投用,对储罐废气、装卸车废气、污水处理场各工段产生的废气、酸性水罐废气等无组织废气进行密闭收集,最终经焚烧后排放。
(4)DCC再生烟气处理装置:投资4500万元,采用碱法脱硫+湿法除尘+电除尘工艺。烟气排放口安装有在线监测仪,已与东营市环保局联网。
3、危险废物的防治设施:
(1)危废仓库:存放MTBE废催化剂、重整废催化剂、催化裂化废催化剂、加氢废催化剂、丁烷脱氢废催化剂、异构化废催化剂、废脱氯剂等,通过活性炭吸附对仓库废气进行废气治理。
(2)催化裂化废催化剂罐:存放催化裂化废催化剂
(3)污油罐:贮存污油
(4)废碱液罐:贮存废碱液
(5)浮渣池:存放浮渣
(6)延迟焦化装置:对浮渣进行再利用
四、建设项目环境影响评价及其他环境保护行政情况(见建设项目清单)
五、2025年自行监测方案(见上传资料)。
六、2025年第一季度委托监测报告、2025年1月1日-3月31日在线监测数据时均值(见上传资料)。
公示发布单位:山东垦利石化集团有限公司
发布日期:2025年4月3日





